Index

Slurry handling

Dry manure spr.

Tractor implements

Auger Conveyors

Irrigation

Road & Enviroment

Accessories

Quick couplings
Valducci

Bauer

Perrot

Hoses
Hose Clamps
Gate valves
3-way valves
Safery valves
Pressure gauge
Overflow valve
Siphone valve

Inspection glass
Brake cylinders
Tow-eyes
Forged tines
Stub axles

Sales
Company
History
Feedback
Links

 

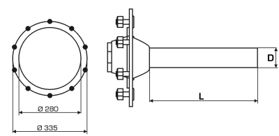
Stub axles 

10 - bolt stub axles.

D L   Capacity
25 km/h 40 km/h
Ø 90mm ~ 500mm without brake 4000 kg 3350 kg
Ø 90mm ~ 500mm with brake 4000 kg 3350 kg
100 x 100mm ~ 600mm without brake 5500 kg 4750 kg
  100 x 100mm ~ 600mm with brake 5500 kg 4750 kg
  110 x 110mm ~ 600mm with brake 5750 kg 5000 kg
Capacities with different speeds (bogie axle) rim off-set is 0.